Capacité de commutation des contacts de 30 A. Des aimants permanents génèrent un champ magnétique transversal pour assurer la coupure en courant continu haute tension.
InquiryCaractéristiques
• Structure entièrement étanche, avec un niveau de protection IP67.
• De petite taille et léger.
• Entièrement conforme aux exigences de la directive RoHS.
• Applicable aux systèmes de précharge des véhicules électriques, aux commutateurs de batterie et aux alimentations de secours, à la commande de l'alimentation CC, à la protection de sécurité des circuits, etc.
Paramètres de performance
|
Paramètre |
Unité |
Valeur |
|
|
Formulaire de contact principal |
/ |
une ouverture normale |
|
|
Tension de fonctionnement du contact |
V (CC) |
12~1000 |
|
|
Capacité de contrôle nominale |
/ |
30 A 450 V (DC-1) |
|
|
Courant de tenue de courte durée nominal et durée |
/ |
50A 300s |
|
|
100 A 30 s |
|||
|
chute de tension de contact |
mV |
≤80 |
|
|
Temps d'action (rebond de contact inclus) |
MS |
≤15 |
|
|
heure de libération |
MS |
≤6 |
|
|
Temps de rebond du contact |
MS |
≤6 |
|
|
Courant de coupure maximal (une seule coupure autorisée) |
/ |
210 A, 80 V |
|
|
Durée de vie de la charge (charge non polarisée, purement résistive) |
temps |
50 A, 450 V |
10000 |
|
30 A, 750 V |
6000 |
||
|
20 A, 1000 V |
6000 |
||
|
durée de vie mécanique |
temps |
1 000 000 |
|
|
résistance d'isolement |
MΩ |
100 (sous les conditions de 500 V (CC)) |
|
|
Tension de tenue |
V (CA) |
2200 V (CA) 50 Hz/60 Hz (Courant de fuite ≤1 mA) |
|
|
Température de fonctionnement |
℃ |
-40~+85 |
|
|
Humidité de fonctionnement |
/ |
5 % à 90 % |
|
|
Impact, 11 ms, demi-onde sinusoïdale, valeur de crête |
G |
20 |
|
|
Vibration, onde sinusoïdale, 80~2000 Hz, valeur de crête |
G |
20 |
|
|
cycle de service nominal |
/ |
service de travail continu |
|
|
Poids (approximatif) |
g |
125 |
|
|
Méthode d'installation |
/ |
arbitraire |
|
Paramètres de la bobine
|
Type de bobine |
Type non économe en énergie |
||
|
Tension nominale de la bobine (Us) |
12V (CC) |
24 V (CC) |
48V (CC) |
|
Plage de tension de fonctionnement (à 20 °C) |
85 % Nous ~ 110 % Nous |
||
|
Tension de captage (V (DC)) à 20 °C |
≤9 |
≤18 |
≤36 |
|
Tension de déclenchement (V (DC)) à 20 °C |
≥1 |
≥2 |
≥4 |
|
Courant de surtension maximal de la bobine (A) |
/ |
/ |
/ |
|
Durée maximale de la montée (ms) |
/ |
/ |
/ |
|
Courant de maintien de la bobine (A) à 20 °C |
≤0,4 |
≤0,2 |
≤0,1 |
|
Puissance de maintien de la bobine (W) à 20 °C |
≤5 |
≤5 |
≤5 |
Note:
1. L'endurance électrique nominale du produit est basée sur des tests de charge résistive, avec une inductance maximale de la charge ne dépassant pas 27 μH ; pour les charges inductives, veuillez consulter le fabricant.
2. Le graphique ci-dessus est établi à partir d'estimations basées sur des données de test et des déductions. Il est recommandé aux utilisateurs de procéder à des tests et des vérifications en fonction de leur utilisation réelle.
3. Lorsque la tension de tenue diélectrique et la résistance d'isolement du produit sont inférieures aux paramètres indiqués dans le tableau des paramètres du produit, le produit est considéré comme ayant atteint la fin de sa durée de vie.
Description du modèle

① : Modèle de produit
② : Tension de contact : (Aucune : Basse tension ; G : Haute tension)
③ : Courant nominal de fonctionnement : « 30 » = 30 A
④ : A : Équipé d'une carte de circuit imprimé à économie d'énergie
⑤ : B : Une normalement fermée ; (Aucune : Une normalement ouverte)
⑥ : C : Verrouillage magnétique
⑦ : D : Bobine simple
⑧ : T : Base en céramique
⑨ : S : un contact auxiliaire normalement ouvert
⑩ : Tension nominale de la bobine : « 6 » = 6 V (CC), « 12 » = 12 V (CC), « 24 » = 24 V (CC), « 48 » = 48 V (CC), « 72 » = 72 V (CC)
⑪ : Méthode de connexion : (N : Thread externe ; K : Thread interne)
⑫ : Méthode d'installation : (Aucune : installation par le bas)
⑬ : Code client spécial : 01-99
Exemple : NFG30DK/24V indique que le produit a un courant de charge nominal de 30 A (résistif), avec une forme de contact principal d'un contact normalement ouvert (filetage femelle), une tension de bobine de 24 V CC et une méthode de montage par le bas.
Principe du circuit

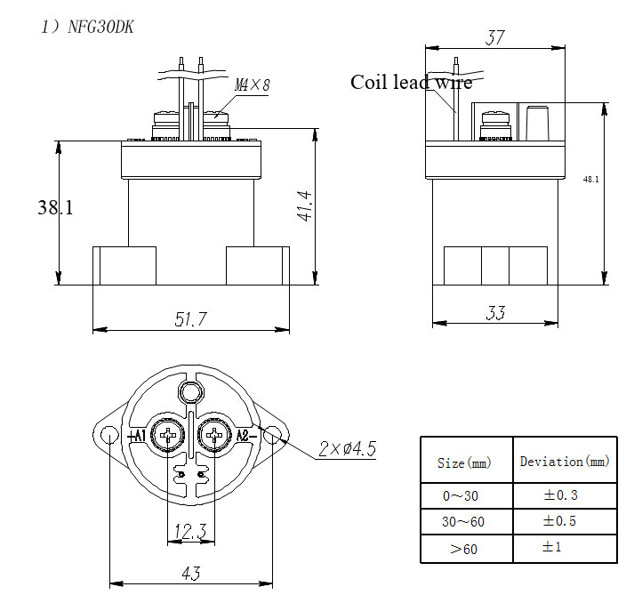
Diagramme de dimensionnement

Précautions d'emploi
Capacité de commutation des contacts de 50 A. Des aimants permanents g
Capacité de commutation des contacts de 100 A. Des aimants permanents